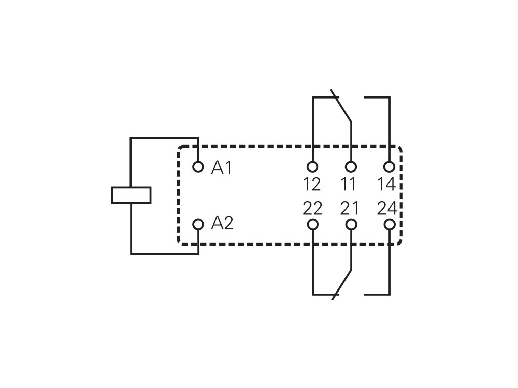
Relé 48V DC 2 x 250V AC / 8A, 30V DC / 8A RT424048, 7-1393243-0 TE Connectivity
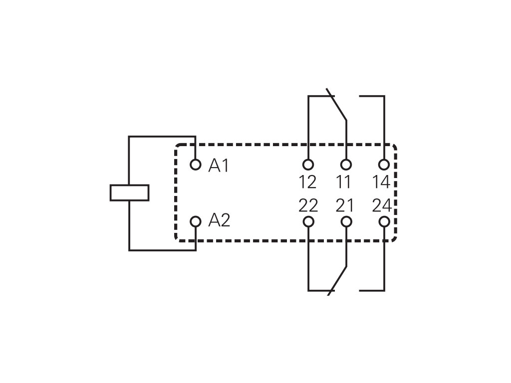
U cívky: 48V DC, 8A / 250V AC, 8A / 30V DC, 2x přepínací kontakt
Parametry:
Výrobce: TE Connectivity
Typ relé: elektromagnetické
Konfigurace kontaktů: DPDT ( 2x přepínací )
Jmenovité napětí cívky: 48V DC
Max. proud kontaktů: 8A
Zatížitelnost kontaktů AC @R: 8A / 250V AC
Zatížitelnost kontaktů DC @R: 8A / 30V DC
Řada výrobce: RT2
Spínané napětí: max. 300V DC, max. 400V AC
Verze relé: miniaturní, monostabilní
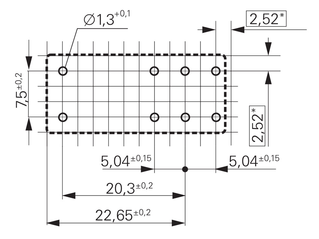
Montáž: PCB
Odpor cívky: 5,52kΩ
Min. napětí cívky: 33,6V DC
Doba sepnutí: 8ms
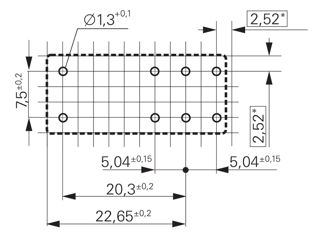
Vnější rozměry: 29 x 12,7 x 15,7 mm
Doba rozepnutí: 6ms
Příkon přes cívku: 400mW
Stupeň krytí: IP40
Materiál kontaktu: AgNi 90/10
Rozteč vývodů: 5mm
Související produkty: RT17017, RT17040, RT78726
Výška: 15,7mm
Počet pinů: 8
Pracovní teplota: -40...85°C